
- Myjka do butelek szklanych VK-BR
- Maszyna do napełniania olejem VK-PF 4głowice
- Maszyna do zamykania próżniowego VK-VC
- Maszyna do etykietowania butelek okrągłych VK-RPL
Całkowicie automatyczna linia napełniająca może być dostosowana do wymagań klienta i próbek oferowanych przez kupującego. Poniżej wymieniono podstawowe informacje dotyczące tej w pełni automatycznej linii napełniającej dla przemysłu spożywczego:
Szklane butelki Maszyna do mycia powietrza Odkurzacz Sprzęt do mycia
Jest to automatyczna maszyna do mycia butelek przy użyciu powietrza. Wydajność zależy od dysz myjących powietrze.
Sprężarka powietrza transportuje powietrze wewnątrz pojemnika próżniowego, gaz przechodzi przez zawór elektromagnetyczny, a generator jonów zostaje oczyszczony. Szampon gazowy do tchawicy wdmuchuje gaz do butelek przez otwór do płukania gazu, wydmuchuje ciała obce z otworu do płukania gazu pod wpływem ciśnienia gazu, a następnie odprowadza zużyty gaz z powrotem na zewnątrz przez kontrolę emisji.

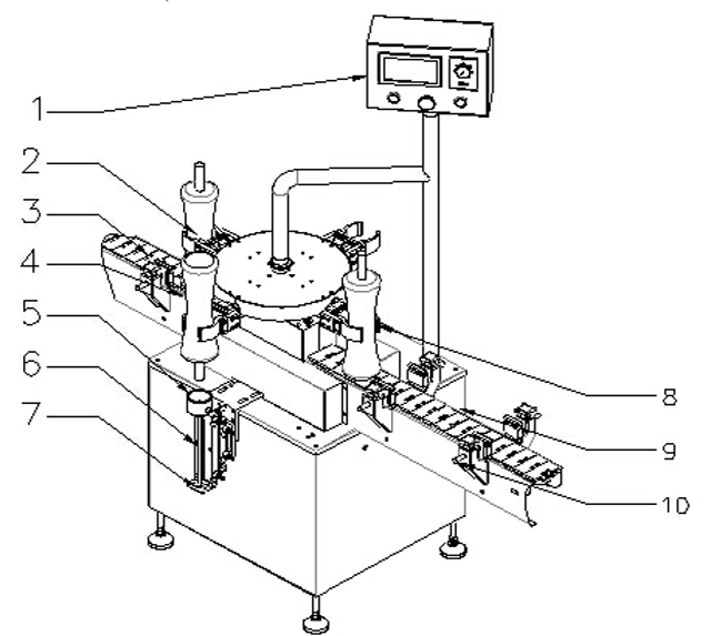
| 1 | Panel sterowania | 2 | Butelki |
| 3 | Pasek do butelek do karmienia | 4 | Czujnik do karmienia butelką |
| 5 | konstrukcja mocująca butelki | 6 | Płukanie wtryskowe |
| 7 | Dysza elektrostatyczna | 8 | Punkt mocowania butelek |
| 9 | Taśma do wyprowadzania butelek | 10 | Prowadnica |
Podstawowe parametry automatycznej maszyny do mycia butelek szklanych za pomocą obrotowego powietrza:

Model: VK-BR
Pasuje do butelek: 20-1000ml
Wydajność produkcyjna: 8 dysz czyszczących: 3600~4800bph
Zakres ciśnienia powietrza: 6~8 kg/cm2
Zużycie powietrza: 25m3/h
Zasilanie: 220V 50/60Hz
Pobór mocy: 0,75 kW
Hałas pojedynczej maszyny: ≤70dB
Oczyszczone powietrze: 0,2μm
Czas czyszczenia: 3~5s
Masa netto: 350 kg
Wymiary całkowite: 1200 x 800 x 1600 mm
Maszyna do napełniania olejem 4 głowice liniowe napełniarki

Maszyna do napełniania oliwek czterogłowicowa, sterowana mikrokomputerem, łączy fotoelektryczność z działaniem pneumatycznym, dzięki czemu jest szeroko stosowana do napełniania cieczą środków chemicznych do rolnictwa, roztworów, płynnych detergentów, kosmetyków, a także oliwek.
Objętość napełniania jest precyzyjna, bez piany i stabilna. Maszyna może napełniać płyn w zakresie od 25 do 1000 ml, podczas gdy nie ma specjalnych wymagań co do kształtu butelek. Oznacza to, że może napełniać płynem zarówno zwykłe butelki, jak i butelki w kształcie rukoli.

Model: VK-PF
Zakres napełniania: 50~3000ml
Prędkość napełniania: <20-30b/m(dla 500-1000ml płynu)
Dokładność: ±1%
Moc zasilania: 0,8 kW, 220 V
Ciśnienie robocze: 5~6kg/cm3
Zużycie powietrza: 0,5-0,7mpa
Północny zachód: 500 kg
Wymiar zewnętrzny: 2000×800×1900mm
Ocena: Dysze napełniające mogą być zaprojektowane i wyprodukowane zgodnie z wymaganiami klientów dotyczącymi zakresu i prędkości napełniania
Liniowa maszyna do zamykania próżniowego Vk-Vc Sprzęt do zamykania słoików:
Ta liniowa maszyna do zamykania została zbadana i opracowana przez naszą firmę z wieloletnim doświadczeniem, jest unikalna w kraju. Zintegrowane automatyczne układanie nakrętek z pokrywką, zamykanie próżniowe.
Przyjęto ręczną pompę próżniową, aby osiągnąć wysoką próżnię. Z funkcjami bez butelki bez pokrywy, alarmując, gdy nie ma dostępnych nakrętek. Cieszył się wysoką automatyzacją. Główne części pneumatyczne i elektryczne pochodzą od światowej sławy marek.
Ze stabilną i niezawodną wydajnością. Jest szeroko stosowany do próżniowego zamykania szklanych słoików za pomocą żelaznych nakrętek w przemyśle konserwowym, napojów, przypraw, produktów ochrony zdrowia itp.

Moc: ≤2,3 kW (wliczając pompę próżniową)
Wydajność produkcyjna: 50-60BPM
Średnica nasadki: 30-55 mm 50-85 mm
Wysokość butelki: 80-250mm
Średnica butelki: 30-85 mm
Maksymalne podciśnienie: -0,08 mpa
Moment skręcający: 5-20N.M
Zużycie powietrza: 0,6M3/0,7Mpa
Wymiary maszyny: około 3000×1000×1900 mm
Waga: około 850 kg
Maszyna do etykietowania butelek i słoików okrągłych Vk-Rpl

Aplikacja: Wymagana jest powierzchnia obwodowa membrany, przymocowana etykieta lub produkt.
Przemysł: Stosowane powszechnie w przemyśle spożywczym, medycznym, kosmetycznym, elektronicznym, metalowym, tworzyw sztucznych i innych gałęziach przemysłu.
Aplikacja: Etykietowanie okrągłych butelek PET, etykietowanie butelek plastikowych, konserw itp.

Odpowiednia długość etykiety (mm): 20mm ~ 314mm
Szerokość etykiety (szerokość papieru podkładowego / mm): 15 mm ~ 150 mm
Średnica i wysokość produktów, do których ma zastosowanie (dla okrągłej butelki): średnica: φ25mm ~ φ100mm
Wysokość: 25mm ~ 230mm
Średnica standardowej rolki (mm): φ280mm
Średnica standardowej rolki (mm): φ76mm
Dokładność etykietowania (mm): ± 1mm
Prędkość standardowa (m/min): Serwo: 5 ~ 25m/min Krokowa: 5 ~ 19m/min
Prędkość etykietowania (szt./min): Krokowo: 30 ~ 80szt./min (z rozmiarem butelki i etykiety)
Serwo: 40 ~ 120 szt./min
Prędkość przenośnika (m/min): 5 ~ 25m/min
Waga (kg): około 185 kg
Częstotliwość (HZ): 50HZ Napięcie (V): 220V
Moc (W): 530W (silnik krokowy trakcyjny) 980W (serwo trakcyjne)
Wymiary urządzenia (mm) (dł. × szer. × wys.): 1950 mm × 1100 mm × 1300 mm


Opakowanie w drewnianej obudowie:

Serwis posprzedażowy linii napełniającej

Gwarantujemy jakość głównych części w ciągu 12 miesięcy. Jeśli główne części ulegną awarii bez sztucznych czynników w ciągu jednego roku, bezpłatnie je dostarczymy lub utrzymamy dla Ciebie. Po roku, jeśli musisz wymienić części, uprzejmie zapewnimy Ci najlepszą cenę lub utrzymamy ją na Twojej stronie. Zawsze, gdy masz pytania techniczne dotyczące korzystania z niego, bezpłatnie zrobimy wszystko, co w naszej mocy, aby Cię wesprzeć.
Gwarancja jakości:
Producent gwarantuje, że towary są wykonane z najlepszych materiałów Producenta, z pierwszorzędną jakością wykonania, są nowe, nieużywane i odpowiadają pod każdym względem jakości, specyfikacji i wydajności określonej w niniejszej umowie. Okres gwarancji jakości wynosi 12 miesięcy od daty B/L.
Producent będzie dokonywał bezpłatnych napraw zakontraktowanych maszyn w okresie gwarancji jakości.
Jeżeli awaria wynika z niewłaściwego użytkowania lub innych przyczyn ze strony Kupującego, producent pobierze koszt części zamiennych.
Instalacja i debugowanie:
Sprzedawca wysłałby swoich inżynierów, aby poinstruowali instalację i debugowanie. Koszty ponosiłby kupujący (bilety lotnicze w obie strony, opłaty za zakwaterowanie w kraju kupującego). Kupujący powinien zapewnić pomoc na miejscu w zakresie instalacji i debugowania.









