
- Prędkość zamykania: 15-30 sztuk/min
- Napięcie znamionowe: 110V/60Hz (standard amerykański)
- Moc maszyny: 0,8 kW
- Amper: 2,2A
- Wymiary zewnętrzne: 2230*1460*1600 MM (dł.*szer.*wys.)
- Ciśnienie powietrza: 0,7 MPa
- Waga: około 300 kg
Powiadomienie przed uruchomieniem maszyny do zamykania butelek
1: Przed podłączeniem urządzenia do prądu należy upewnić się, że wyłącznik zasilania jest w pozycji zamkniętej, a następnie postępować zgodnie z instrukcją.
2: Jeżeli maszyna nie będzie używana przez dłuższy czas, należy ją przetrzeć suchą szmatką. Nie wolno czyścić jej żadnym żrącym środkiem czyszczącym.
3: Surowo zabrania się wlewania jakichkolwiek płynów do skrzynki elektrycznej urządzenia, aby zapobiec korozji wewnętrznych elementów elektrycznych i zwarciu.
4: Sprawdź, czy modele, specyfikacje i ilość sprzętu i materiałów są zgodne z listą przewozową sprzętu, aby upewnić się, że spełniają wymagania norm projektowych i produktowych oraz że dołączone są certyfikaty zgodności.
5: Sprawdź wygląd sprzętu, aby mieć pewność, że nie wykazuje on żadnych odkształceń, uszkodzeń ani korozji, a także, że wszystkie wrzeciona mogą się swobodnie obracać bez żadnych blokad.
6: To urządzenie jest zasilane prądem zmiennym jednofazowym o napięciu 110 V, a płaską, trójżyłową wtyczkę zasilającą należy podłączyć do gniazdka elektrycznego z przewodem uziemiającym.
Parametry techniczne

- Prędkość zamykania: 15-30 sztuk/min
- Napięcie znamionowe: 110V/60Hz (standard amerykański)
- Moc maszyny: 0,8 kW
- Amper: 2,2A
- Wymiary zewnętrzne: 2230*1460*1600 MM (dł.*szer.*wys.)
- Ciśnienie powietrza: 0,7 MPa
- Waga: około 300 kg
Szczegóły dotyczące maszyny zamykającej:



Struktury maszyny

Opis światłowodowego oka elektrycznego
Elektryczne oko do wykrywania butelek:

 W trybie automatycznym zadaniem tego elektrycznego oka jest wykrywanie nadchodzących butelek.
Po wykryciu nadchodzącej butelki „talerz obrotowy” zaczyna się obracać.
Elektryczne oko do dostarczania pokrywy

Gdy urządzenie pracuje w trybie automatycznym, jego zadaniem jest wykrywanie nadchodzących osłon.
W momencie wykrycia nadchodzącej pokrywy „mechanizm wyjmowania” podnosi się w celu pobrania materiału.
Elektryczne oko do dostarczania pokrywy

W trybie automatycznym: Zadaniem tego elektrycznego urządzenia wykrywającego jest wykrywanie nadchodzących butelek.
Po wykryciu nadchodzącej butelki „mechanizm blokady zatyczki” obraca zatyczkę w dół.
Przycisk przełącznika i port okablowania
Ekran dotykowy i zatrzymanie awaryjne
 
 Silnik podający i sterownik płyty wibracyjnej pokrywy

Kontroler płyty wibracyjnej

Kontroler płyty wibracyjnej: Poprzez regulację napięcia można regulować prędkość rozładowywania.
Wyłącznik zasilania i gniazdka

Kontroler silnika

Transformator częstotliwości: Regulując prędkość silnika za pomocą przycisku transformatora częstotliwości.
Metoda alarmu i rozwiązywania problemów:
1. Naciśnięto przycisk zatrzymania awaryjnego. Naciśnij przycisk zatrzymania awaryjnego na pokrywie maszyny i obok ekranu dotykowego.
2. Wyjście osiąga ustawioną wartość. Ustaw wyjście, naciśnij przycisk czyszczenia, aby wyczyścić bieżące wyjście.
3. Jeśli zakrętki nie są wykrywane przez dłuższy czas, sprawdź. Sprawdź, czy włókno indukcyjne zakrętki jest dobrze dostarczone. Sprawdź, czy zakrętki są na swoim miejscu.
4. Jeśli butelki nie są wykrywane przez dłuższy czas, sprawdź. Sprawdź, czy butelki są na miejscu.
Regulacja oka elektrycznego:
Struktura wzmacniacza

Schemat dla światłowodu:

1. Blokada światłowodu
2. Wskaźnik stanu pracy
3. Zestaw
4. Kontrolka DSC
5. Monitor cyfrowy
6. Przycisk ręczny
7. Rozszerzona osłona ochronna
8. Złącze rozszerzające
9. Przełącznik wyboru zasilania
10. Przycisk trybu
11. Selektor wyjścia
12. Kable
13. Osłona przeciwpyłowa
14. Ustaw wartość (na zielono)
15. Wartość bieżąca (na czerwono)
Proces roboczy dla ustawień światłowodowych
- Gdy oko elektryczne wpadnie w szczelinę, wartość czerwonego prądu wynosi 144.
- Gdy oko elektryczne pada na etykietę, wartość czerwonego prądu wynosi 4.
- Dostosuj wartość ustawienia, około 1/2 wartości, w której oko elektryczne znajduje się na papierze (w szczelinie między obiektami, które mają zostać wykryte) i wartość, w której oko elektryczne znajduje się na papierze. Wartość ustawienia wynosi (144 4)/2=74. Wyreguluj przycisk ręczny, aby ustawić wartość ustawienia na 74.
- Przesuwaj szczelinę między etykietami tam i z powrotem w miejscu elektrycznego oka i czerwonego „światła sygnalizacyjnego/kontrolki”.
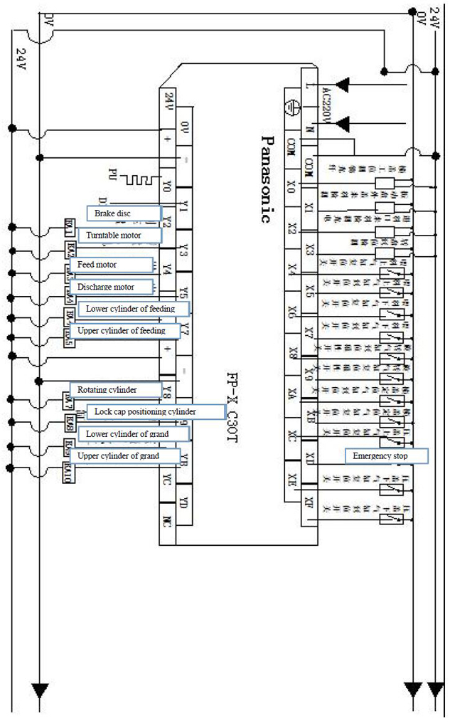
Schemat obwodu



Maszyna do zamykania butelek konserwacyjnych

1. Należy przeprowadzać kontrolę i konserwację maszyny w celu wydłużenia jej żywotności i optymalizacji jej działania;
- Maszynę roboczą należy konserwować co trzy miesiące;
- Łożyska i przekładnie należy smarować smarem;
- Smarowanie należy wykonywać okresowo;
- Olej do prowadnic ślizgowych (N68) należy dodawać do części poruszających się ruchem posuwisto-zwrotnym lub podnoszących dwa razy dziennie;
- Olej samochodowy (N68) należy wlać do części obrotowych lub wahadłowych;
- Co pół miesiąca należy dodać smaru do szczeliny krzywki;
- Raz w miesiącu należy naoliwić dyszę, dodając smar;
2. Nigdy nie używaj metalowych narzędzi do uderzania lub skrobania powierzchni, na której gromadzi się spoiwo, na częściach takich jak komponenty lub forma.
3. Jeżeli maszyna nie będzie działać przez dłuższy czas, należy dodać smaru do smarowania części takich jak przekładnia lub łożysko. Należy również zabezpieczyć maszynę środkiem wodoodpornym.
4. Nigdy nie kładź żadnych przedmiotów na maszynie, aby nie uszkodzić maszyny.
5. Regularnie czyść elementy z kurzu, sprawdzaj wszystkie śruby i dokręcaj poluzowane.
6. Sprawdź śruby w zaciskach pod kątem okablowania w określonym czasie i upewnij się, że śruba jest dokręcona;
7. Sprawdź, czy na rozciągniętej ścieżce okablowania od skrzynek elektrycznych nie ma żadnych luźnych elementów. Jeśli część jest zbyt luźna, ponownie przykręć śrubę, aby uniknąć przetarcia lub uszkodzenia warstwy izolacyjnej, co może spowodować upływ prądu.
8. Sprawdź elementy ulegające szybkiemu zużyciu i wymień uszkodzone na czas;










