
- Głowice zaślepiające: 2 szt. serwo-moto napędowe
- Napięcie: 220V, 50/60HZ;
- Moc: 3,0 kW
- Ciśnienie powietrza: 0,5–0,7Mpa
- Amper: 8,5A
- Prędkość: 40-45/min (dostosowana do kształtu i rozmiaru słoików)
- Odpowiednia średnica produktu: pokrywki φ28-φ125 mm (niestandardowe, dostosowane)
- Współczynnik przepuszczalności gruczołu: ≥99,5% (w zależności od błędu pokrywki i butelki)
- Rozmiar maszyny: 3300*1150mm*1908mm
- Waga: 450 kg
Przed włączeniem zasilania maszyny. Przeczytaj uważnie tę instrukcję ze względów bezpieczeństwa i prawidłowego użytkowania maszyny. Aby uniknąć wypadków personelu i zmniejszyć częstotliwość uszkodzeń maszyny.
W przypadku produktów żrących należy zachować ostrożność, aby nie dopuścić do kontaktu lub zachlapania maszyny i personelu przedmiotami żrącymi.
- Unikaj używania urządzenia w miejscach narażonych na wibracje lub kolizje.
- Gdy maszyna pracuje, personel nie może dotykać ruchomych części.
- Należy unikać używania maszyny w miejscach o nadmiernej wilgotności. I podłączyć ją do zasilania, przewód uziemiający powinien być prawidłowo uziemiony, aby uniknąć wypadku zagrażającego bezpieczeństwu.
- Operator powinien utrzymywać normalny stan fizyczny i psychiczny. W przypadku spożycia alkoholu, zażycia środków nasennych lub innych narkotyków, które szkodzą Twojemu stanowi psychicznemu, przerwij obsługę maszyny.
- Operator musi nosić odpowiednią odzież, aby uniknąć obrażeń spowodowanych kontaktem odzieży z ruchomymi elementami maszyny. Nie wolno mu też umieszczać na maszynie żadnych obcych przedmiotów.
- Jeżeli podczas użytkowania maszyny słychać hałas lub występują inne nieprawidłowości, należy natychmiast przerwać pracę i sprawdzić urządzenie. Osoby niebędące technikami powinny powstrzymać się od samowolnego przenoszenia części maszyny.
- Regularna (raz w tygodniu) konserwacja i pielęgnacja, unikanie rozchlapywania wody lub innych płynów oraz dotykanie elektronicznych skrzynek sterujących i innych elementów elektrycznych podczas czyszczenia maszyny.
- Proszę postępować zgodnie ze standardowymi procedurami operacyjnymi i utrzymywać powierzchnię maszyny w czystości i porządku.
Maszyny zamykające są stosowane w procesach pakowania wszelkiego rodzaju produktów kosmetycznych, medycznych, weterynaryjnych, pestycydów, olejów smarowych i innych dziedzinach przemysłu.





Zasada i funkcje maszyny do zamykania słoików:
- Sterowanie automatyczne elektryczne, jest stabilne;
- Dzięki urządzeniu do pozycjonowania zatyczki i standardowej zablokowanej pokrywie obsługa jest wygodna;
- Pokrywa zamka o szerokim zakresie zastosowań, może obracać się w różnych kształtach i specyfikacjach nasadki;
- Prędkość maksymalna, ograniczenie wirowania, może również, w zależności od potrzeb, regulować naprężenie przewijania.


Podstawowe parametry maszyny zamykającej słoiki kosmetyczne:

1. Głowice zaślepiające: 2 szt. serwo-moto napędowe
2. Napięcie: 220V, 50/60HZ;
3. Moc: 3,0 kW
4. Ciśnienie powietrza: 0,5--0,7Mpa
5. Amper: 8,5A
6. Prędkość: 40-45/min (dostosowana do kształtu i rozmiaru słoików)
7. Odpowiednia średnica produktu: pokrywki φ28-φ125 mm (niestandardowe, niestandardowe)
8. Współczynnik przepuszczalności gruczołu: ≥99,5% (w zależności od błędu pokrywki i butelki)
9. Rozmiar maszyny: 3300*1150mm*1908mm
10. Waga: 450 kg
Opis części hosta


Wyłącznik zasilania: Włączanie-wyłączanie zasilania.
Kontrolka zasilania: zasilanie włączone — zielone światło włączone, zasilanie wyłączone — zielone światło wyłączone.
Zatrzymanie awaryjne: Służy do natychmiastowego zatrzymania maszyny lub przywrócenia jej działania w przypadku awarii lub wypadku.
1. Uruchomienie fotoelektryczne: Maszyna jest w użyciu, gdy fotoelektryczna detekcja wykryje, że jest butelka i ma pokrywkę, talerz obrotowy może zacząć działać. Jeśli jeden z dwóch fotoelektrycznych czujników nie zostanie wykryty, talerz obrotowy nie będzie się obracał.
2. Pochodzenie fotoelektryczne: Służy do sterowania silnikiem krokowym, który pozycjonuje talerz obrotowy, dzięki czemu butelkę można płynnie wsunąć do pokrywy.
3. Fotoelektryczność czapkowa: Sprawdź, czy pokrywa jest na swoim miejscu i za pomocą fotoelektrycznego czujnika wykryj, czy pokrywa ma możliwość obrotu.
4. Pokrywa fotoelektryczna: Sterowanie uruchamianiem i zatrzymywaniem maszyny do nakładania górnej pokrywy. Gdy pokrywa dostarczona przez maszynę do nakładania górnej pokrywy zostanie ustawiona w pozycji wykrytej przez czujnik fotoelektryczny, czujnik fotoelektryczny jest zawsze jasny, maszyna do nakładania pokrywy zatrzymuje się, a następnie wdrażana jest inteligentna pokrywa.
5. Blokada pokrywy fotoelektrycznej: W momencie przesunięcia się butelki z pokrywką następuje wykrycie fotoelektryczne, a pokrywa zamka zostaje uruchomiona zgodnie z ustawionym czasem opóźnienia (konkretne parametry są dostosowywane w zależności od prędkości taśmy przenośnika podczas regulacji maszyny).
6. System pokrywy zamka: Butelka z pokrywką jest taka sama, opóźnienie startu fotoelektrycznego, opóźnienie zacisku cylindra butelki, nasadka blokująca jest opuszczana, pokrywa uchwytu - nasadka śrubowa - zwolnienie chwytaka - nasadka blokująca podnosi się - butelka z klipsem jest poluzowana, a proces zamykania nasadki jest ukończony. W pokrywie blokującej, gdy pokrywa blokująca 1# znajduje się w pokrywie blokującej, wchodzi inna butelka. W tym momencie cylinder butelki zaciskowej 2# porusza się, a pokrywa blokująca 2# jest aktywowana w celu zablokowania pokrywy. (Gdy nasadka, która została zablokowana przez głowicę blokującą 2#, przejdzie przez butelkę z klipsem 1#, nie powtarzaj pokrywy blokującej.

Opis interfejsu człowiek-maszyna

Strona rozruchowa
3.1 Strona rozruchowa ma możliwość wyboru języka angielskiego i chińskiego. Jeśli wybierzesz przycisk chiński, pojawi się następujący interfejs:

Drugi interfejs
Zatrzymywać się: Wyłącznik startowy całej maszyny. Dotknięcie tego przycisku spowoduje uruchomienie maszyny w trybie automatycznym. Ponowne dotknięcie tego przycisku spowoduje zatrzymanie pracy maszyny.
Brama testowa: Przetestuj działanie maszyny.
Prędkość obrotowa gramofonu: Im większy jest parametr prędkości, tym szybsza jest prędkość, a tym wolniejszy jest parametr prędkości. (Istnieje jednak maksymalny limit.)
Opóźnienie gramofonu: Ustawienia czasu uruchomienia gramofonu, zgodnie z ustawieniem efektu płynnej pracy gramofonu.
Opóźnienie ograniczenia: Po przesunięciu talerza obrotowego do wyznaczonej stacji, opóźnij czas oczekiwania, zamknij nasadkę cylindra.
Czas zamknięcia: Czas potrzebny do uszczelnienia cylindra.
Wyjście: Uzupełnij rekord liczby pokryw zamka, wygodna liczba produkcji. Naciśnij klawisz resetowania, aby wyczyścić.
X1. X3. X14: Sprawdź, czy fotoelektryk znajduje się w stanie roboczym odbicia, aby łatwo zobaczyć działanie stanu maszyny,
Parametr ograniczania: Naciśnij ten klawisz, aby wejść do następującego interfejsu:

Interfejs to strona parametrów, które należy ustawić dla każdego działania głowicy blokującej 1 # w systemie pokrywy blokady serwa. Rozsądne ustawienie parametrów wpływa korzystnie na stabilność maszyny i poprawę wydajności.
Powrót: Naciśnij ten przycisk, aby powrócić do drugiego interfejsu.
Wejście/Wyjście: Naciśnij ten przycisk, aby przejść do następującego interfejsu:

Punkty serii X: Jest to punkt wejściowy służący do wykrywania, czy czujnik fotoelektryczny jest w stanie roboczym, umożliwiający łatwą obserwację działania maszyny i łatwą konserwację.
Punkty serii Y: Jest punktem wyjściowym komponentów wykonawczych normalnego stanu sprzężenia zwrotnego; można również ręcznie nacisnąć klawisz sterujący, aby sprawdzić, czy komponenty wykonawcze są normalne.
System podawania czapek: Może być stabilny i uporządkowany, zgodnie z wyznaczonym kierunkiem pokrycia.
Regulacja nachylenia: Można regulować rozsądny kąt, aby zapobiec opadnięciu pokrywy do środka zamka.
Regulacja przetwornicy częstotliwości: kontrolować prędkość okładki.


Konserwacja sprzętu do zamykania słoików:
1. Utrzymuj maszynę w stanie wyłączonym i wyłączonym gazem, aby zapewnić bezpieczeństwo. Utrzymuj maszynę w czystości i porządku, bez drobiazgów na maszynie, bez małych przedmiotów, akcesoriów, śrub itp.
2. Regularnie uzupełnia się poziom oleju smarującego w ruchomych częściach mechanizmu, aby zapewnić jego prawidłowe działanie.
3. Regularnie usuwaj wodę z filtra powietrza i uzupełniaj jego poziom olejem smarującym, aby zapewnić prawidłowe użytkowanie cylindra i przedłużyć jego żywotność.
4. Regularnie sprawdzaj i naprawiaj maszynę. Oceń stan działania sprzętu wzrokiem i słuchem, aby upewnić się, że maszyna działa dobrze.
Notatka: proszę używać i konserwować w ścisłej zgodności z instrukcją, okres gwarancji jest surowo zabroniony do otwierania i rozmontowywania, w przeciwnym razie uszkodzenia spowodowane tym jako uszkodzenia ciała, nie ma bezpłatnej naprawy. Niniejsza instrukcja może ulec zmianie bez powiadomienia; jeśli nadal istnieją jakiekolwiek wątpliwości co do działania tej maszyny, prosimy o kontakt telefoniczny w dowolnym momencie w celu uzyskania informacji
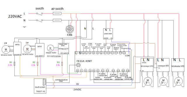
Załączony schemat elektryczny:

Próbki gotowych zakrętek na maszynie do zamykania słoików:





Znaki: dla kwadratowych czarnych słoików, ponieważ zakrętki są podatne na zarysowania, zaprojektowano je z systemem podnoszącym, aby wyciągnąć zakrętki słoików z tacek i umieścić je w stacji gotowej do zakręcania w celu zamknięcia. Szczegółowa zasada działania jest zilustrowana w następujący sposób: Proces działania:
1. Ręczne umieszczanie czapek na tacce (15*15 lub 10*10)

2. Umieszczenie tacek w stanowisku odbioru gotowych produktów
3. Roboty podnoszące słoiki

4. Pozycjonowanie butelek i zakończenie procesu zamykania
5. Wyjście z zakręcanych słoików











